picoTAS + TCSPC
カタログPDF 来社実験サービス世界初 ピコ秒過渡吸収分光 + 蛍光寿命コンバインシステム

ピコ秒過渡吸収分光システム picoTAS

専用ソフトウェア

蛍光寿命測定モジュール(検出器、ファイバー、組み込み光学系)

特長
自社開発RIPT 法と TCSPC法を1台に融合
任意の波長で蛍光励起が可能 * 繰り返し周期は50 ns (= 1/20 MHz) 固定
ピコ秒過渡吸収システムに蛍光寿命オプションとして付加可能
蛍光寿命システムからピコ秒過渡吸収システムへのアップグレードも可能
時間相関単一光子計数(TCSPC)発光寿命測定法
時間相関単一光子計数(Time-Correlated Single Photon Counting; TCSPC)法とは、ナノ秒以下のパルス光励起により試料から輻射される発光(photoluminescence; 蛍光(fluorescence)およびりん光(phosphorescence))強度の時間変化を観測する発光寿命測定法の一つで、極めて高い感度と時間分解能を併せ持った手法です。
TCSPC法では、光励起の頻度に対して光子計数(photon counting)の頻度が数%になるような条件で試料からの発光光子を観測したとき、その光励起から光子計数までにかかった時間の頻度分布が実際の発光ダイナミクスの良い近似になることを利用しています。その測定原理から、検出発光強度が十分に微弱である必要があるため、強発光性の化学種ではより低い励起光強度で測定が可能であり、また弱発光性の化学種の観測へも適用できます。また、単一光子計数検出器(single photon counter)の信号とパルス励起光源のトリガ信号との時間間隔の測定精度が時間分解能を決定するため、検出器本来の応答速度を超えた、非常に高速な発光ダイナミクスの追跡が可能です。
picoTAS 発光寿命測定機能の特長
picoTASの過渡吸収測定で採用されているRIPT法と、TCSPC法が持つ、二つのパルス信号の遅延を正確に測定するという類似性を利用し、本コンバインシステムは、本来の過渡吸収測定機能に加え、単一光子計数検出器とわずかな光学系の追加のみで発光寿命測定機能を提供します。
蛍光寿命測定機能の励起光として、過渡吸収測定ではプローブ光として用いていたスーパーコンティニューム光をとして利用することで、420から1600 nmの範囲の任意の波長で試料を励起することが可能です。ただしこの場合、発光寿命測定が可能な波長領域は検出器が感度を有する400から1000 nmに限られ、また繰り返し周期は50 nsとなるため寿命の長い蛍光には対応できない場合があります。一方で過渡吸収測定でポンプ光として用いているサブナノ・ピコ秒レーザーを蛍光寿命測定のポンプ光として用いれば、寿命の長い発光信号にも対応できます。
TCSPC演算には、一般で用いられている専用ボードではなく、RIPT演算に用いるオシロスコープが利用されるため、時間軸の設定の制約が少なく、対数軸にすることも可能です。その結果、非常に速い寿命成分と非常に遅い成分の同時測定が可能です。独自のデコンボリューション機能により、このような対数時間軸の信号に対しても、効果的にデコンボリューションをかけ、広い時間軸にわたった複数の発光寿命成分の解析を行うことが可能です。
品名 | picoTAS 発光寿命測定オプションモジュール | |||
---|---|---|---|---|
測定方式 | 時間相関単一光子計数(TCSPC)法 | |||
励起光モード | 20MHz 可変波長 | 1 kHz 固定波長 | ||
励起光 | 光源 | 高繰返しピコ秒スーパー コンティニューム光源 | パッシブ Q-SW マイク ロチップレーザー 注1) | ピコ秒モードロック レーザー 注1) |
波長 | 420 – 1600 nm 注2) | 532 / 355 nm 注1) | 532 / 355 / 266 nm 注1) | |
パルス幅 | 50 – 100 ps 以下 (波長に依存) | 350 ps 以下 | 25 ps 以下 | |
繰返し周波数 | 20 MHz ± 5% | 10 – 1000 Hz (可変) | 1000 Hz | |
検出器 | 素子 | シングルフォトン・アバランシェフォトダイオード(SAPD) | ||
感度範囲 | 400 – 1000 nm | |||
量子効率 | Typ. 24%@400 nm, 49%@550 nm, 37%650 nm | |||
暗電流 | 100 cps以下 | |||
ジッター | 35 ps以下 | |||
光ファイバ | モード | マルチモード | ||
コア径 | 100 μm | |||
端子 | FC/APC ― FC/PC | |||
装置時間分解能 (10 – 90% 立ち上り時間) | 200 ps 以下 | 500 ps 以下 | 50 ps 以下 | |
サンプリング時間間隔 | 1, 2, 5, 10, 20, 50, 100, 200, 500 ps | 1, 2, 5, 10, 20, 50, 100, 200, 500 ps / 1, 2, 5, 10, 20, 50, 100, 200, 500 ns / 1, 2, 5, 10 μs |
||
時間スケール 注3) | 10, 20, 50, 100 ns | 10, 20, 50, 100, 200, 500 ns / 1, 2, 5, 10, 20, 50, 100, 200, 500 μs / 1 ms |
||
自動制御 | シャッター制御、波長スキャン、波長バンド幅、励起光強度、励起光偏光面、励起光繰り返し周波数(picoTAS-ns) | |||
対応試料 | 溶液(光路長 2 mm)、薄膜など透過配置で励起を行える試料 | |||
測定用PC ソフトウェア | OS | Windows® 7/10 | ||
機能 | ハードウェア自動制御、発光寿命信号構成・表示、デコンボリューション・カーブフィッティング (非線形最小自乗法)、データのテキスト保存 | |||
設置環境 | ベースとなるpicoTAS過渡吸収測定装置要件に同じ |
注1) ベースとなるpicoTAS過渡吸収測定装置のポンプ光に同じ。
注2) 観測可能波長は400 – 1000 nm。
注3) 繰り返し周期が上限
全体構成
本オプションモジュールは、ピコ秒過渡吸収測定システムpicoTASに発光寿命測定機能を追加するもので、主として単一光子計数検出器、信号ケーブル(LEMO-SMA-BNC)、光ファイバ(FC/APC-FC/PC)、光路切替器、励起光斜照射光学系ユニット、および波長可変ショートパスフィルタユニットから構成されます。下図は picoTAS-nsへ設置した場合の典型的な構成図であり、構成内容や配線はモデルにより異なります。

単一光子計数検出器・光ファイバ・信号ケーブル![]() |
光路切替器![]() 光路切替器は、picoTAS本体内後置分光器により分光された信号光を、過渡吸収測定用検出器への光学系と、発光寿命測定用検出器への光学系のいずれかへ切り替えて導入します。 |
励起光斜照射光学系ユニット![]() 励起光斜照射光学系ユニットは、20 MHz可変波長励起光源(スーパーコンティニューム光源)(後述)を使用して測定する場合に、励起光を試料に斜照射し、励起光ビームそのものが検出光学系に入射しないようにするための着脱式光学系です。1 kHz固定波長励起光源を使用する際は必ず取り外し、使用しません。 |
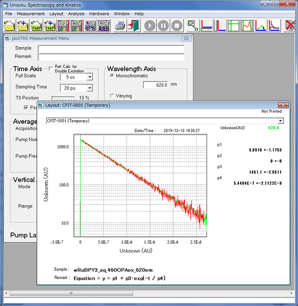
蛍光寿命測定用ソフトウェア![]()
|
データ・学会発表資料![]()
PDF ファイルをご希望の方は info@unisoku.co.jp までお知らせ下さい。 |
カタログPDF 来社実験サービス
<国内の理科学機器販売業者様>
本製品は、国内では原則として直接販売を行っております。
ご理解を賜りますよう、何とぞよろしくお願い申し上げます。